
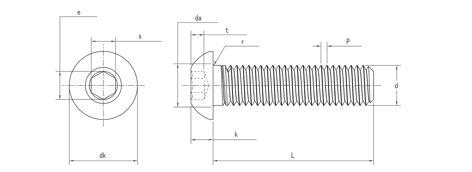
ISO 7380 hexagon socket head screws have a semi-circular head and an internal hexagon drive hole. The semi-circular head reduces the exposed height, lowering the risk of scratches or snags.
ISO 7380 Specifications
Equivalent standards: JIS B1174, NF E25-109, NF E25-126.
| MM | P | da max | dk max | dk min | e min | k max | k min | r min | s max | s min | t min |
|---|---|---|---|---|---|---|---|---|---|---|---|
| M3 | 0.5 | 3.6 | 5.7 | 5.4 | 2.303 | 1.65 | 1.4 | 0.1 | 2.08 | 2.02 | 1.04 |
| M4 | 0.7 | 4.7 | 7.6 | 7.24 | 2.873 | 2.2 | 1.95 | 0.2 | 2.58 | 2.52 | 1.3 |
| M5 | 0.8 | 5.7 | 9.5 | 9.14 | 3.443 | 2.75 | 2.5 | 0.2 | 3.08 | 3.02 | 1.56 |
| M6 | 1 | 6.8 | 10.5 | 10.07 | 4.583 | 3.3 | 3 | 0.25 | 4.095 | 4.02 | 2.08 |
| M8 | 1.25 | 9.2 | 14 | 13.57 | 5.723 | 4.4 | 4.1 | 0.4 | 5.14 | 5.02 | 2.6 |
| M10 | 1.5 | 11.2 | 17.5 | 17.07 | 6.863 | 5.5 | 5.2 | 0.4 | 6.14 | 6.02 | 3.12 |
| M12 | 1.75 | 13.7 | 21 | 20.48 | 9.149 | 6.6 | 6.24 | 0.6 | 8.175 | 8.025 | 4.16 |
| M16 | 2 | 17.7 | 28 | 27.48 | 11.429 | 8.8 | 8.44 | 0.6 | 10.175 | 10.025 | 5.2 |
Related Products
Other Standards
GB Standard
GOST Standard
NF Standard
KS Standard
