
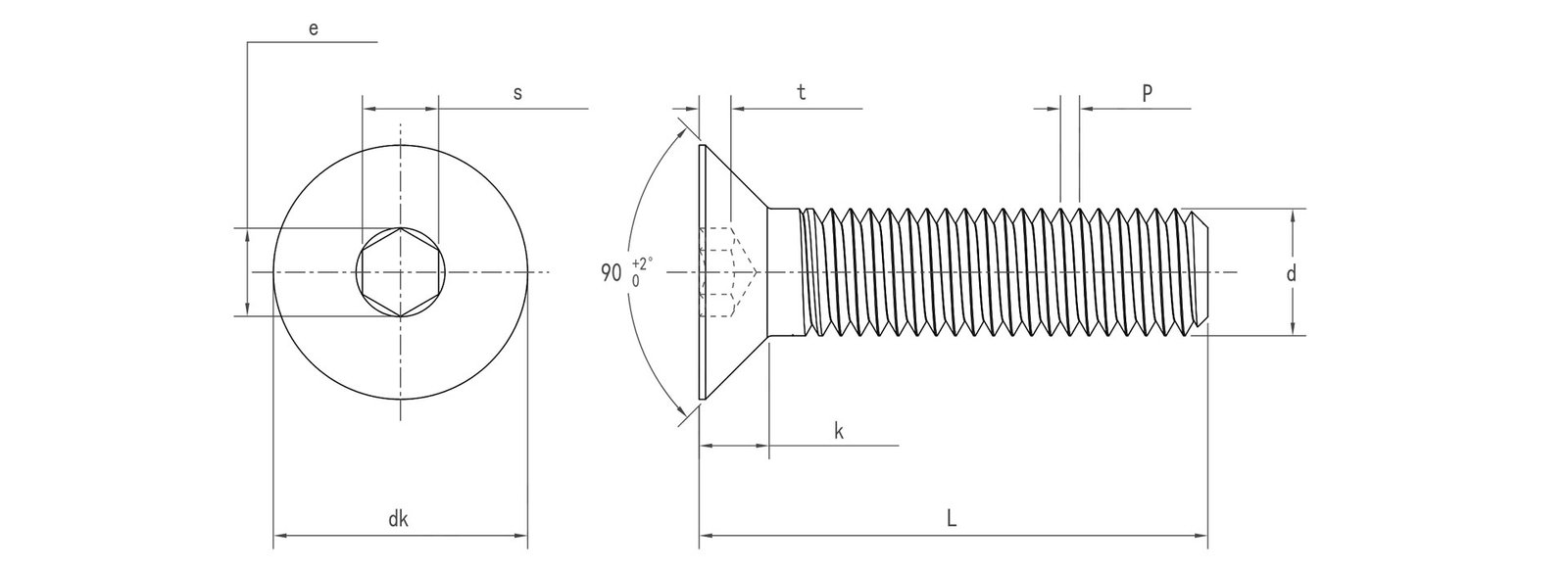
Metric DIN 7991 hexagon socket head screws with flat/countersunk head, internal hex drive and can be tightened with a hexagonal key. The hexagon drive is ideal for applications with limited space. The flat head design allows the screw head to sit flush with the substrate surface.
Beyond Fastener offers a wide range of Metric DIN 7991 Hex Socket Head Screws as well as other Imperial and Metric Industrial Fasteners available for immediate dispatch from stock. We supplies metric DIN 7991 hexagon socket screws in the following sizes: diameters from M3 to M24, lengths up to 150 mm, made of carbon steel, stainless steel A2; A4.
Click the link to view related products: Hexagon Socket Screws
DIN 7991 Specifications
- Current norm: DIN EN ISO 10462
- Equivalent norms: ISO 10642, UNI 5933
| (mm) | P | dk max | dk min | e min | k max | s min | s max | t max | t min |
|---|---|---|---|---|---|---|---|---|---|
| M3 | 0.5 | 6.00 | 5.70 | 2.30 | 1.70 | 2.02 | 2.10 | 1.20 | 0.95 |
| M4 | 0.7 | 8.00 | 7.64 | 2.87 | 2.30 | 2.52 | 2.60 | 1.80 | 1.55 |
| M5 | 0.8 | 10.00 | 9.64 | 3.44 | 2.80 | 3.02 | 3.10 | 2.30 | 2.05 |
| M6 | 1.0 | 12.00 | 11.57 | 4.58 | 3.30 | 4.02 | 4.12 | 2.50 | 2.25 |
| M8 | 1.25 | 16.00 | 15.57 | 5.72 | 4.40 | 5.02 | 5.14 | 3.50 | 3.20 |
| M10 | 1.5 | 20.00 | 19.48 | 6.86 | 5.50 | 6.02 | 6.14 | 4.40 | 4.10 |
| M12 | 1.75 | 24.00 | 23.48 | 9.15 | 6.50 | 8.025 | 8.175 | 4.60 | 4.30 |
| M14 | 2.0 | 27.00 | 26.48 | 11.43 | 7.00 | 10.025 | 10.175 | 4.80 | 4.50 |
| M16 | 2.0 | 30.00 | 29.48 | 11.43 | 7.50 | 10.025 | 10.175 | 5.30 | 5.00 |
| M18 | 2.5 | 33.00 | 32.38 | 13.72 | 8.00 | 12.032 | 12.212 | 5.50 | 5.20 |
| M20 | 2.5 | 36.00 | 35.38 | 13.72 | 8.50 | 12.032 | 12.212 | 5.90 | 5.60 |
| M22 | 2.5 | 36.00 | 35.38 | 16.00 | 13.10 | 14.032 | 14.212 | 8.80 | 8.44 |
| M24 | 3.0 | 39.00 | 38.38 | 16.00 | 14.00 | 14.032 | 14.212 | 10.30 | 9.87 |
