

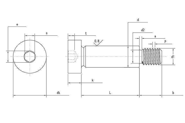
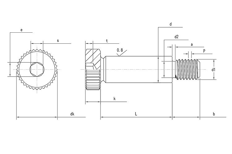
ISO 7379 Dimensions
Equivalent standards: CSN 021113; GB 5281.
| MM | d max | d min | d1 | P | b max | b min | dk max (Knurled head) | dk max | dk min | d2 max | d2 min | e min | k max | k min | a max | s max | s min | t min |
|---|---|---|---|---|---|---|---|---|---|---|---|---|---|---|---|---|---|---|
| Φ6.5 | 6.487 | 6.451 | M5 | 0.8 | 9.75 | 9.25 | 10.22 | 10 | 9.78 | 3.86 | 3.68 | 3.44 | 4.50 | 4.32 | 2.00 | 3.08 | 3.02 | 2.40 |
| Φ8 | 7.987 | 7.951 | M6 | 1.0 | 11.25 | 10.75 | 13.27 | 13 | 12.73 | 4.58 | 4.40 | 4.58 | 5.50 | 5.32 | 2.50 | 4.095 | 4.02 | 3.30 |
| Φ10 | 9.987 | 9.951 | M8 | 1.25 | 13.25 | 12.75 | 16.27 | 16 | 15.73 | 6.25 | 6.03 | 5.72 | 7.00 | 6.78 | 3.10 | 5.095 | 5.02 | 4.20 |
| Φ13 | 12.984 | 12.941 | M10 | 1.5 | 16.40 | 15.60 | 18.27 | 18 | 17.73 | 7.91 | 7.69 | 6.86 | 9.00 | 8.78 | 3.70 | 6.095 | 6.02 | 4.90 |
| Φ16 | 15.984 | 15.941 | M12 | 1.75 | 18.40 | 17.60 | 24.33 | 24 | 23.67 | 9.57 | 9.35 | 9.15 | 11.00 | 10.73 | 4.40 | 8.115 | 8.025 | 6.60 |
| Φ20 | 19.980 | 19.928 | M16 | 2.0 | 22.40 | 21.60 | 30.33 | 30 | 29.67 | 13.33 | 12.96 | 11.43 | 14.00 | 13.73 | 5.00 | 10.115 | 10.025 | 8.80 |
| Φ25 | 24.980 | 24.928 | M20 | 2.5 | 27.40 | 26.60 | 36.39 | 36 | 35.61 | 16.57 | 16.30 | 13.72 | 16.00 | 15.73 | 6.30 | 12.142 | 12.032 | 10.00 |
