
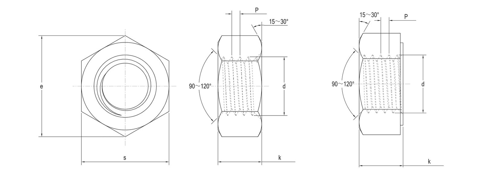
Metric ISO 4032 hexagon nuts have a single or double chamfer on the head with chamfer angles from 15 to 30°. Diameters range from M1.6 to M64. The materials available include carbon steel, stainless steel, titanium alloy, aluminum alloy, copper alloy and special alloy, etc.
ISO 4032 Nut Dimensions
Equivalent standards: DIN 934; CSN 021401; PN 82144; UNI 5588; EU 24032;
| mm | P | e min | k max | k min | s max | s min |
|---|---|---|---|---|---|---|
| M1.6 | 0.35 | 3.41 | 1.3 | 1.05 | 3.2 | 3.02 |
| M2 | 0.4 | 4.32 | 1.6 | 1.35 | 4 | 3.82 |
| M2.5 | 0.45 | 5.45 | 2 | 1.75 | 5 | 4.82 |
| M3 | 0.5 | 6.01 | 2.4 | 2.15 | 5.5 | 5.32 |
| M3.5 | 0.6 | 6.58 | 2.8 | 2.55 | 6 | 5.82 |
| M4 | 0.7 | 7.66 | 3.2 | 2.9 | 7 | 6.78 |
| M5 | 0.8 | 8.79 | 4.7 | 4.4 | 8 | 7.78 |
| M6 | 1 | 11.05 | 5.2 | 4.9 | 10 | 9.78 |
| M8 | 1.25 | 14.38 | 6.8 | 6.44 | 13 | 12.73 |
| M10 | 1.5 | 17.77 | 8.4 | 8.04 | 16 | 15.73 |
| M12 | 1.75 | 20.03 | 10.8 | 10.37 | 18 | 17.73 |
| M14 | 2 | 23.36 | 12.8 | 12.1 | 21 | 20.67 |
| M16 | 2 | 26.75 | 14.8 | 14.1 | 24 | 23.67 |
| M18 | 2.5 | 29.56 | 15.8 | 15.1 | 27 | 26.16 |
| M20 | 2.5 | 32.95 | 18 | 16.9 | 30 | 29.16 |
| M22 | 2.5 | 37.29 | 19.4 | 18.1 | 34 | 33 |
| M24 | 3 | 39.55 | 21.5 | 20.2 | 36 | 35 |
| M27 | 3 | 45.2 | 23.8 | 22.5 | 41 | 40 |
| M30 | 3.5 | 50.85 | 25.6 | 24.3 | 46 | 45 |
| M33 | 3.5 | 55.37 | 28.7 | 27.4 | 50 | 49 |
| M36 | 4 | 60.79 | 31 | 29.4 | 55 | 53.8 |
| M39 | 4 | 66.44 | 33.4 | 31.8 | 60 | 58.8 |
| M42 | 4.5 | 71.3 | 34 | 32.4 | 65 | 63.1 |
| M45 | 4.5 | 76.95 | 36 | 34.4 | 70 | 68.1 |
| M48 | 5 | 82.6 | 38 | 36.4 | 75 | 73.1 |
| M52 | 5 | 88.25 | 42 | 40.4 | 80 | 78.1 |
| M56 | 5.5 | 93.56 | 45 | 43.4 | 85 | 82.8 |
| M60 | 5.5 | 99.21 | 48 | 46.4 | 90 | 87.8 |
| M64 | 6 | 104.86 | 51 | 49.1 | 95 | 92.8 |
