
IFI 111 hexagonal flange screws have a hexagonal head with a round flange below the head and can be tightened using a standard wrench or socket. The flange increases the contact area with the connected component during tightening, acting like a washer. IFI 111 hexagonal flange screws are typically partially threaded, with thread length proportional to the overall length of the screw. They are available with either toothed or untoothed flanges.
Beyond Fastener supplies high-quality hexagonal flange bolts with fast delivery. Sizes include: 1/4, 5/16, 3/8, 7/16, 1/2, 9/16, 5/8, and 3/4.
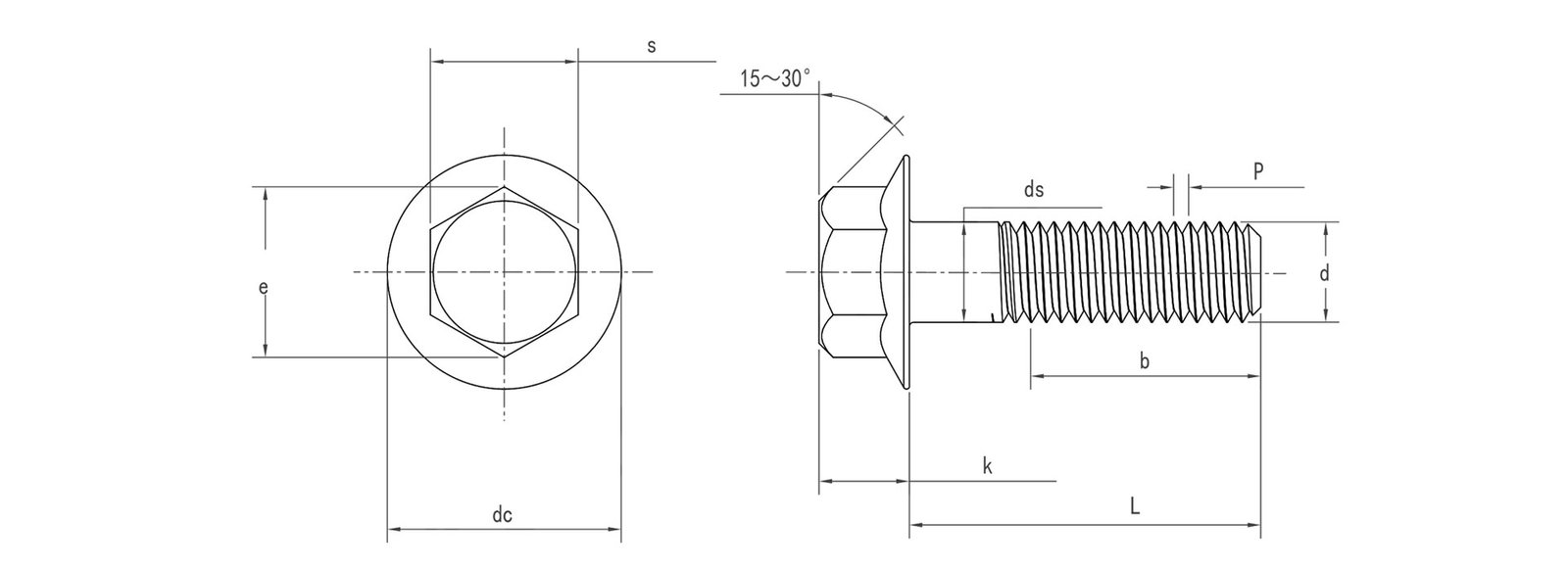
IFI 111 Specifications
| (inch) | P | ds max | ds min | s max | s min | e max | e min | dc max | k max |
|---|---|---|---|---|---|---|---|---|---|
| 1/4 | 20|28|32 | 0.2500 | 0.2450 | 0.3750 | 0.3670 | 0.4330 | 0.4090 | 0.56 | 0.28 |
| 5/16 | 18|24|32 | 0.3125 | 0.3065 | 0.5000 | 0.4890 | 0.5770 | 0.5480 | 0.68 | 0.32 |
| 3/8 | 16|24|32 | 0.3750 | 0.3690 | 0.5625 | 0.5510 | 0.6500 | 0.6180 | 0.81 | 0.39 |
| 7/16 | 14|20|28 | 0.4375 | 0.4305 | 0.6250 | 0.6120 | 0.7220 | 0.6850 | 0.93 | 0.46 |
| 1/2 | 13|20|28 | 0.5000 | 0.4930 | 0.7500 | 0.7360 | 0.8660 | 0.8250 | 1.07 | 0.51 |
| 9/16 | 12|18|24 | 0.5625 | 0.5545 | 0.8125 | 0.7980 | 0.9380 | 0.8950 | 1.19 | 0.57 |
| 5/8 | 11|18|24 | 0.6250 | 0.6170 | 0.9375 | 0.9220 | 1.0830 | 1.0340 | 1.33 | 0.62 |
| 3/4 | 10|16|20 | 0.7500 | 0.7410 | 1.1250 | 1.1000 | 1.2990 | 1.2340 | 1.59 | 0.73 |
