
Metric DIN 960 hexagon cap screws/bolts with fine threads. They have a hexagonal head with a chamfered corner. The materials include carbon steel, alloy steel, stainless steel, etc. Surface treatments include black oxide, white zinc, colored zinc, and Dacromet. Click the link to view related products: Hexagon Head Bolts.
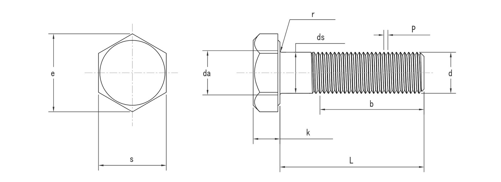
DIN 960 Dimensions
Equivalent standards: ISO 8765.
| mm | P | da max | ds max | ds min | e min | k min | k max | r min | s max | s min |
|---|---|---|---|---|---|---|---|---|---|---|
| M8 | 1 | 9.2 | 8 | 7.78 | 14.38 | 5.15 | 5.45 | 0.4 | 13 | 12.73 |
| M10 | 1|1.25 | 11.2 | 10 | 9.78 | 18.9 | 6.22 | 6.58 | 0.4 | 17 | 16.73 |
| M12 | 1.25|1.5 | 13.7 | 12 | 11.73 | 21.1 | 7.32 | 7.68 | 0.6 | 19 | 18.67 |
| M14 | 1.5 | 15.7 | 14 | 13.73 | 24.49 | 8.62 | 8.98 | 0.6 | 22 | 21.67 |
| M16 | 1.5 | 17.7 | 16 | 15.73 | 26.75 | 9.82 | 10.18 | 0.6 | 24 | 23.67 |
| M18 | 1.5|2 | 20.2 | 18 | 17.73 | 30.14 | 11.28 | 11.72 | 0.6 | 27 | 26.67 |
| M20 | 1.5|2 | 22.4 | 20 | 19.48 | 33.59 | 12.28 | 12.72 | 0.8 | 30 | 29.67 |
| M22 | 1.5|2 | 24.4 | 22 | 21.48 | 35.72 | 13.78 | 14.22 | 0.8 | 32 | 31.61 |
| M24 | 1.5|2 | 26.4 | 24 | 23.48 | 39.98 | 14.78 | 15.22 | 0.8 | 36 | 35.38 |
| M27 | 2 | 30.4 | 27 | 26.48 | 45.2 | 16.65 | 17.35 | 1 | 41 | 40 |
| M30 | 2 | 33.4 | 30 | 29.48 | 50.85 | 18.28 | 19.12 | 1 | 46 | 45 |
| M33 | 2 | 36.4 | 33 | 32.38 | 55.37 | 20.58 | 21.42 | 1 | 50 | 49 |
| M36 | 3 | 39.4 | 36 | 35.38 | 60.79 | 22.08 | 22.92 | 1 | 55 | 53.8 |
| M39 | 3 | 42.4 | 39 | 38.38 | 66.44 | 24.58 | 25.42 | 1 | 60 | 58.8 |
| M42 | 3 | 45.6 | 42 | 41.38 | 71.3 | 25.58 | 26.42 | 1.2 | 65 | 63.1 |
| M45 | 3 | 48.6 | 45 | 44.38 | 76.95 | 27.58 | 28.42 | 1.2 | 70 | 68.1 |
| M48 | 3 | 52.6 | 48 | 47.38 | 82.6 | 29.58 | 30.42 | 1.6 | 75 | 73.1 |
| M52 | 3 | 56.6 | 52 | 51.38 | 88.25 | 32.5 | 33.5 | 1.6 | 80 | 78.1 |
| M56 | 4 | 63 | 56 | 55.26 | 93.56 | 34.5 | 35.5 | 2 | 85 | 82.8 |
| M60 | 4 | 67 | 60 | 59.26 | 99.21 | 37.5 | 38.5 | 2 | 90 | 87.8 |
| M64 | 4 | 71 | 64 | 63.26 | 104.86 | 39.5 | 40.5 | 2 | 95 | 92.8 |
| M68 | 4 | 75 | 68 | 67.26 | 110.51 | 42.5 | 43.5 | 2 | 100 | 97.8 |
| M72 | 4 | 79 | 72 | 71.26 | 116.16 | 44.5 | 45.5 | 2 | 105 | 102.8 |
| M76 | 4 | 83 | 76 | 75.26 | 121.81 | 47.5 | 48.5 | 2 | 110 | 107.8 |
| M80 | 4 | 87 | 80 | 79.26 | 127.46 | 49.5 | 50.5 | 2 | 115 | 112.8 |
| M90 | 4 | 97 | 90 | 89.13 | 144.08 | 56.4 | 57.6 | 2.5 | 130 | 127.5 |
| M100 | 4 | 108 | 100 | 99.13 | 161.03 | 62.4 | 63.6 | 2.5 | 145 | 142.5 |
