DIN 912 Hex Socket Cap Screws

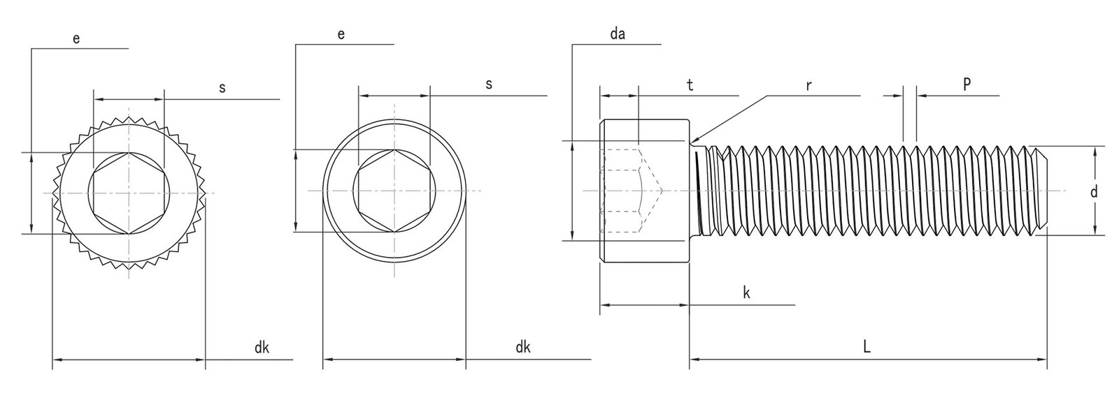
Metric DIN 912 hexagonal socket cap screws have a cylindrical head with a hexagonal hole and require an Allen wrench to drive. The threads are metric coarse or fine threads. After installation, the head can be countersunk into a pre-machined countersunk hole in the workpiece.

Beyond Fastener offers a full range of imperial and metric industrial fasteners. Metric DIN 912 hexagonal socket screws are available in sizes from M1.4 to M100, with custom options available. Click on the link to view related products: Hexagon socket cap screws.

DIN 912 Dimensions

DIN 912 PDF

Equivalent standards: ISO 4762, CSN 021143, PN 82302, UNI 5931, GB 70.

Thread Size dM1.4M1.6M2M2.5M3M4M5M6M8M10M12M14M16M18M20M22M24M27M30M33M36M42M48M56M64M72M80M90M100
PPitchCoarse thread0.30.350.40.450.50.70.811.251.51.75222.52.52.5333.53.544.555.566666
Fine thread pitch-111.251.251.51.51.51.51.52222333444444
Fine thread pitch-211.5222
dkplain headmax2.633.84.55.578.5101316182124273033364045505463728496108120135150
knurld headsmax2.743.143.984.685.687.228.7210.2213.2716.2718.2721.3324.3327.3330.3333.3936.3940.3945.3950.3954.4663.4672.4684.5496.54108.54120.54135.63150.63
min2.462.863.624.325.326.788.289.7812.7315.7317.7320.6723.6726.6729.6732.6135.6139.6144.6149.6153.5462.5471.5483.4695.46107.46119.46134.37149.37
damax1.822.63.13.64.75.76.89.211.213.715.717.720.222.424.426.430.433.436.439.445.552.66371798797107
dsmax1.41.622.53456810121416182022242730333642485664728090100
min1.261.461.862.362.863.824.825.827.789.7811.7313.7315.7317.7319.6721.6723.6726.6729.6732.6135.6141.6147.6155.5463.5471.5479.5489.4699.46
emin1.51.731.732.32.873.444.585.726.869.1511.4313.72161619.4419.4421.7321.7325.1527.4330.8536.5741.1346.8352.5362.8174.2185.6197.04
kmax1.41.622.53456810121416182022242730333642485664728090100
min1.261.461.862.362.863.824.825.77.649.6411.5713.5715.5717.5719.4821.4823.4826.4829.4832.3835.3841.3847.3855.2663.2671.2679.2689.1399.13
sNominal Size1.31.51.522.53456810121414171719192224273236414655657585
min1.321.521.522.022.523.024.025.026.028.02510.02512.03214.03214.03217.0517.0519.06519.06522.06524.06527.06532.0836.0841.0846.0855.165.175.185.12
max1.361.561.562.062.583.084.0955.146.148.17510.17512.21214.21214.21217.2317.2319.27519.27522.27524.27527.27532.3336.3341.3346.3355.465.475.485.47
tmin0.60.711.11.322.5345678910111213.515.518192428343843485460