
DIN 85 slotted pan head screws are a widely used type of metric machine screw characterized by a rounded pan head and a traditional slotted drive. Known for their simplicity, cost-effectiveness, and versatility, these screws are commonly used in light-duty fastening applications across industries such as electronics, furniture, and household equipment.
Slotted screws offer a straightforward design that remains relevant in applications where manual installation, low torque requirements, or traditional aesthetics are preferred. As a standardized fastener, DIN 85 ensures consistent dimensions, compatibility, and global interchangeability.
This guide provides a complete overview of DIN 85 screws, including dimensions, materials, applications, and comparisons with similar standards.
What is a DIN 85 Screw?
DIN 85 is a German industrial standard that specifies slotted pan head machine screws. They are typically used with nuts or in pre-threaded holes, making them suitable for precise assembly work.These screws feature:
- A pan head with a slightly rounded top and flat bearing surface
- A slotted drive (single straight slot)
- A fully threaded shank
- Metric dimensions
- Standardized metric sizing (M1.6 – M10)
- Low-profile rounded head
- Simple installation with flat-head screwdriver
- Suitable for light to medium-duty applications
DIN 85 vs DIN 84
When to Choose DIN 85:
- When a low-profile, rounded head is preferred
- For general-purpose fastening
- In applications requiring aesthetic finish
| Feature | DIN 85 | DIN 84 |
|---|---|---|
| Head | Pan Head | Cheese Head |
| Shape | Rounded | Cylindrical |
| Application | General use | Precision |
Slotted vs Phillips Screws
| Feature | Slotted | Phillips |
|---|---|---|
| Torque | Low | Higher |
| Cam-out | High | Controlled |
| Use | Traditional | Modern |
Key Insight: Slotted screws like DIN 85 are still widely used due to their simplicity and compatibility, especially in applications where high torque is not required.
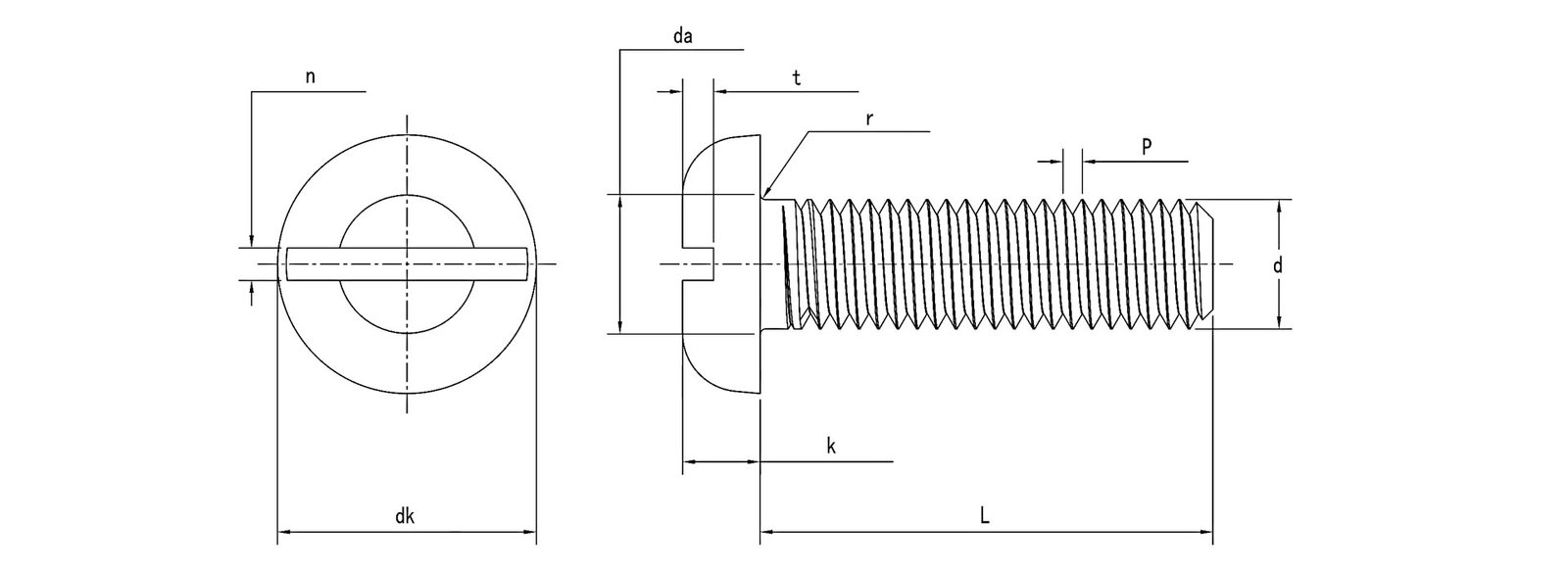
DIN 85 Dimensions (Size Chart)
- Current norm: DIN EN ISO 1580.
- Equivalent norms: ISO 1580, CSN 021137, PN 82219, UNI 6108.
| (mm) | P | dk max | dk min | da max | k max | k min | n min | n max | r min | t min |
|---|---|---|---|---|---|---|---|---|---|---|
| M3 | 0.5 | 6 | 5.7 | 3.6 | 1.8 | 1.66 | 0.86 | 1.0 | 0.1 | 0.7 |
| M3.5 | 0.6 | 7 | 6.64 | 4.1 | 2.1 | 1.96 | 1.06 | 1.2 | 0.1 | 0.8 |
| M4 | 0.7 | 8 | 7.64 | 4.7 | 2.4 | 2.26 | 1.26 | 1.51 | 0.2 | 1.0 |
| M5 | 0.8 | 10 | 9.64 | 5.7 | 3.0 | 2.86 | 1.26 | 1.51 | 0.2 | 1.2 |
| M6 | 1.0 | 12 | 11.57 | 6.8 | 3.6 | 3.3 | 1.66 | 1.91 | 0.25 | 1.4 |
| M8 | 1.25 | 16 | 15.57 | 9.2 | 4.8 | 4.5 | 2.06 | 2.31 | 0.4 | 1.9 |
| M10 | 1.5 | 20 | 19.48 | 11.2 | 6.0 | 5.7 | 2.56 | 2.61 | 0.4 | 2.4 |
Surface Finishes & Coatings
| Environment | Recommended Finish |
|---|---|
| Indoor | Zinc plated |
| Decorative | Nickel plated |
| Corrosive | Stainless steel |
| Industrial | Black oxide |
Applications of DIN 85 Screws
DIN 85 slotted pan head screws are widely used in various industries:
Electronics & Electrical
- Circ
- Control panels
- Electrical housings
Furniture Manufacturing
- Wood assemblies
- Decorative fittings
- Hinges and brackets
Household Appliances
- Kitchen equipment
- Small appliances
- Consumer products
Light Machinery
- Small mechanical assemblies
- Equipment covers
- Instrumentation
DIY & Repair Work
- General repairs
- Manual installations
- Maintenance tasks
Looking for a Reliable DIN 85 Screw Manufacturer?
Bulk Pricing, Custom Specifications, Fast Worldwide Delivery
Why Choose Us as Your DIN 85 Screw Manufacturer
- OEM available
- Full range of metric screws
- Custom sizes
- Factory price
- Fast delivery
