
What is DIN 84 Screw?
DIN 84 metric slotted cheese (pan) head machine screws are externally threaded fasteners with a single slot in the head and a fully threaded shank for use in threaded holes in fastening components. bdfastener offers fasteners in a variety of materials and finishes, including inch and metric standards. Click the link to view related products: Slotted Machine Screws.
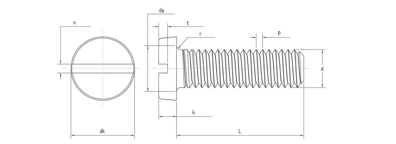
- A pan head (slightly rounded top with flat bearing surface)
- A slotted drive (single straight slot for flat-head screwdriver)
- A fully or partially threaded shank
- Designed for use with pre-tapped holes or nuts
Characteristics
- Standardized metric thread system
- Suitable for low to medium torque applications
- Easy installation and removal
- Widely compatible with traditional tools
DIN 84 Screw Dimensions & Specifications
Equivalent standards: ISO 1207; CSN 021131; PN 82215; UNI 6107.
| (mm) | P | dk max | dk min | da max | k max | k min | n max | n min | r min | t min |
|---|---|---|---|---|---|---|---|---|---|---|
| M1 | 0.25 | 2 | 1.86 | 1.4 | 0.7 | 0.56 | 0.45 | 0.31 | 0.1 | 0.25 |
| M1.2 | 0.25 | 2.3 | 2.16 | 1.6 | 0.8 | 0.66 | 0.5 | 0.36 | 0.1 | 0.3 |
| M1.4 | 0.3 | 2.6 | 2.46 | 1.8 | 0.9 | 0.76 | 0.5 | 0.36 | 0.1 | 0.4 |
| M1.6 | 0.35 | 3 | 2.86 | 2 | 1 | 0.86 | 0.6 | 0.46 | 0.1 | 0.45 |
| M1.8 | 0.35 | 3.4 | 3.22 | 2.2 | 1.2 | 1.06 | 0.6 | 0.46 | 0.1 | 0.5 |
| M2 | 0.4 | 3.8 | 3.62 | 2.6 | 1.3 | 1.16 | 0.7 | 0.56 | 0.1 | 0.6 |
| M2.5 | 0.45 | 4.5 | 4.32 | 3.1 | 1.6 | 1.46 | 0.8 | 0.66 | 0.1 | 0.7 |
| M3 | 0.5 | 5.5 | 5.32 | 3.6 | 2 | 1.86 | 1 | 0.86 | 0.1 | 0.85 |
| M3.5 | 0.6 | 6 | 5.82 | 4.1 | 2.4 | 2.26 | 1.2 | 1.06 | 0.1 | 1 |
| M4 | 0.7 | 7 | 6.78 | 4.7 | 2.6 | 2.46 | 1.51 | 1.26 | 0.2 | 1.1 |
| M5 | 0.8 | 8.5 | 8.28 | 5.7 | 3.3 | 3.12 | 1.51 | 1.26 | 0.2 | 1.3 |
| M6 | 1 | 10 | 9.78 | 6.8 | 3.9 | 3.6 | 1.91 | 1.66 | 0.25 | 1.6 |
| M8 | 1.25 | 13 | 12.73 | 9.2 | 5 | 4.7 | 2.31 | 2.06 | 0.44 | 2 |
| M10 | 1.5 | 16 | 15.73 | 11.2 | 6 | 5.7 | 2.81 | 2.56 | 0.4 | 2.4 |
Technical Notes
- Thread type: Metric coarse thread (ISO compliant)
- Tolerance class: Typically 6g (external thread)
- Manufacturing standards ensure interchangeability
- Length measured from under the head
