DIN 7985 Cross Recessed Raised Cheese Head Machine Screws

DIN 7985 cross- recessed cheese head machine screws

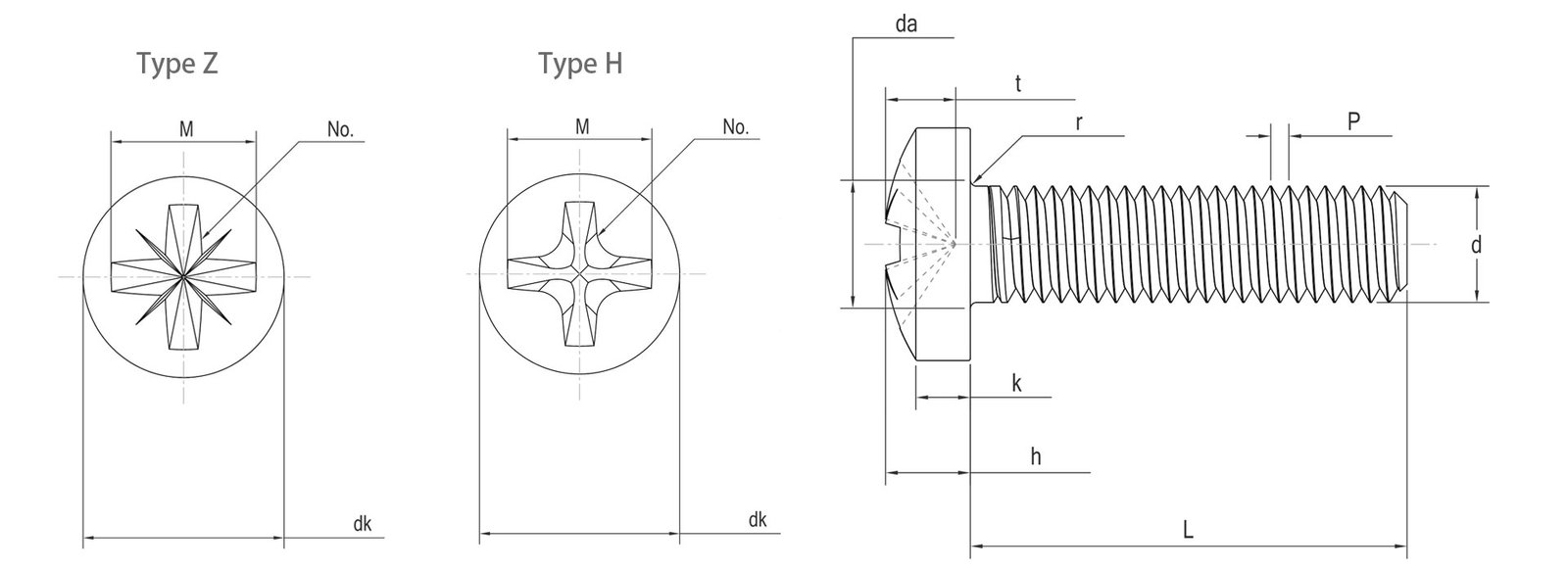
DIN 7985 Cross recessed (Phillips) cheese head (pan head) machine screws are external threaded fasteners. Used in threaded holes or with nuts. Beyond Fastener offers machine screws in both inch and metric standards and in a variety of materials and finishes. We stock a range of diameters from M1.6 to M10, lengths <50 mm, and materials in carbon steel, alloy steel, and stainless steel 304/316. Click on the link to view related products: Phillips Machine Screws.

DIN 7985 Dimensions

Equivalent standards: ISO 7045; GB /T 818; CSN 021147; PN 82202; UNI 7687; NF E 25-121.

Type H

mmPda maxdk maxdk minr maxNo.Mt mint maxh maxh mink
M1.60.352.13.22.90.101.80.721.021.421.180.8
M20.42.643.70.112.51.11.41.721.481.1
M2.50.453.154.70.112.71.31.62.121.881.3
M30.53.665.70.113.11.722.522.281.6
M3.50.64.176.640.224.21.742.242.822.581.9
M40.74.787.640.224.62.042.543.252.952
M50.85.7109.640.225.32.773.273.953.652.5
M616.81211.570.2536.83.033.534.754.453
M81.259.21615.570.4494.184.686.155.853.7
M101.511.22019.480.4410.25.385.887.687.324.8

Type Z

MMPda maxdk maxdk minr maxNo.Mt mint maxh maxh mink
M1.60.352.13.22.90.101.80.921.171.421.180.8
M20.42.643.70.112.41.11.351.721.481.1
M2.50.453.154.70.112.61.271.522.121.881.3
M30.53.665.70.1131.681.932.522.281.6
M3.50.64.176.640.2241.652.112.822.581.9
M40.74.787.640.224.31.92.363.252.952
M50.85.7109.640.2252.643.13.953.652.5
M616.81211.570.2536.73.023.484.754.453
M81.259.21615.570.448.84.064.526.155.853.7
M101.511.22019.480.449.95.235.697.687.324.8