
DIN 7504 Pmetric self-drilling screws with a drill bit at the end. No drilling required, it can be tapped directly into the material to form a secure connection.
Beyond Fastener offers a complete range of metric self-drilling screws as well as other imperial and metric industrial fasteners. The following sizes of metric DIN 7504 self-drilling screws are available for immediate shipment from stock: diameters ranging from 2.2 mm to M6.3, with lengths up to 165 mm.
We offer various head styles and drive types, including Phillips Pan Head, Phillips Countersunk, Phillips Wafer Head, Hex Washer Head, Torx Pan Head, Torx Flat Head and Flat Square Socket, etc.
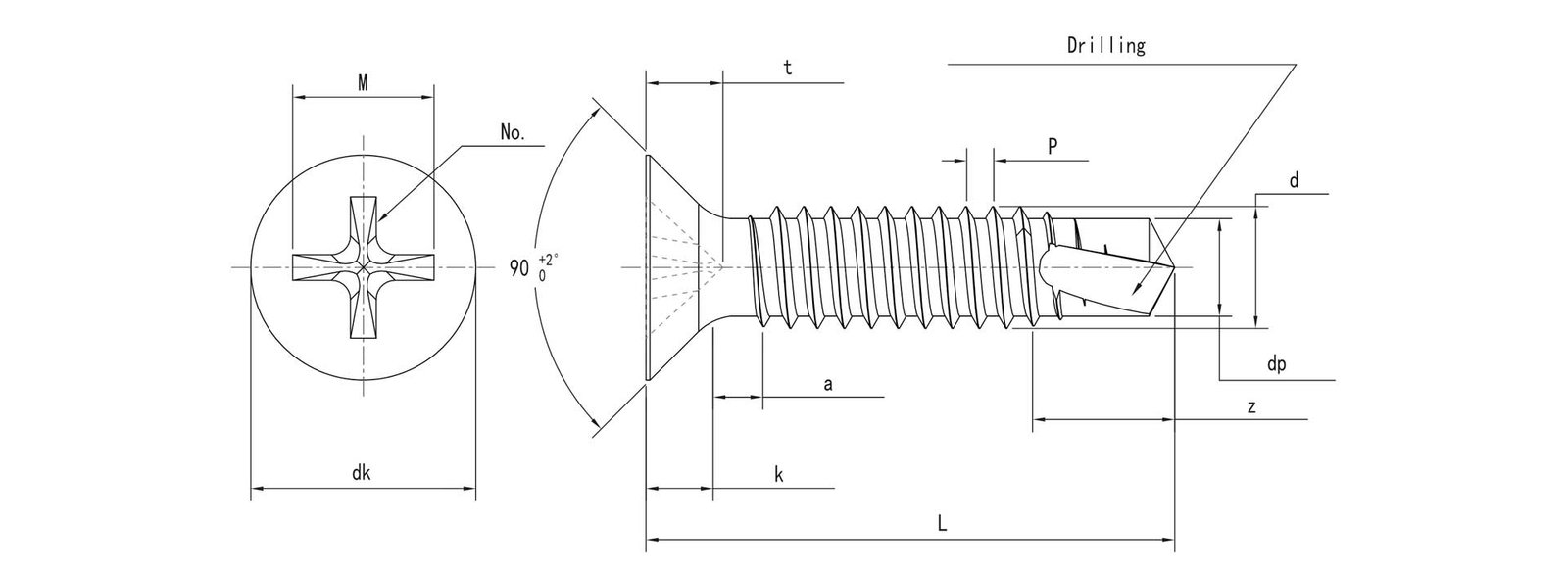
DIN 7504 P Self Drilling Screws Dimensions
Equivalent standard: UNI 8119.
| Mon | P | a max | dk max | dk min | k | No. | M | t min | t max | dp max | Drilling plate thickness min | Drilling plate thickness max | z max |
|---|---|---|---|---|---|---|---|---|---|---|---|---|---|
| ST2.9 | 1.1 | 1.1 | 5.5 | 5.2 | 1.7 | 1 | 3 | 1.4 | 1.7 | 2.3 | 0.7 | 1.9 | 6.25 |
| ST3.5 | 1.3 | 1.3 | 6.8 | 6.44 | 2.1 | 2 | 4.2 | 1.62 | 2.12 | 2.8 | 0.7 | 2.25 | 6.65 |
| ST3.9 | 1.3 | 1.3 | 7.5 | 7.14 | 2.3 | 2 | 4.6 | 2.03 | 2.53 | 3.1 | 0.7 | 2.4 | 7.2 |
| ST4.2 | 1.4 | 1.4 | 8.1 | 7.74 | 2.5 | 2 | 4.7 | 2.11 | 2.62 | 3.6 | 1.75 | 3 | 8.7 |
| ST4.8 | 1.6 | 1.6 | 9.5 | 9.14 | 3 | 2 | 5.1 | 2.59 | 3.1 | 4.1 | 1.75 | 4.4 | 8.3 |
| ST5.5 | 1.8 | 1.8 | 10.8 | 10.37 | 3.4 | 3 | 6.8 | 2.95 | 3.53 | 4.8 | 1.75 | 5.25 | 11 |
| ST6.3 | 1.8 | 1.8 | 12.4 | 11.97 | 3.8 | 3 | 7.1 | 3.33 | 3.91 | 5.8 | 2 | 6 | 12 |
Related Products
View Other Standards
GB Standard
GOST Standard
NF Standard
KS Standard
