
DIN 6926 is a German standard hexagon locknut with flange. It consists of a hexagon nut + one-piece round flange (washer) + nylon insert. The back of the flange surface is usually designed with serrated or knurled (called “anti-slip teeth” or “self-locking teeth”). The flange increases the force area, evenly distributes the pressure, and reduces surface damage to the workpiece; the nylon ring provides an anti-loosening effect, and is a torque-type lock nut. In many applications, it can replace the normal hexagon nut + spring washer or flat washer combination.
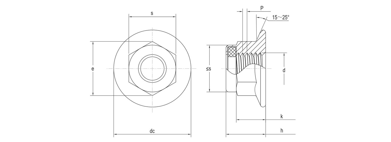
DIN 6926 Specifications
| mm | P | dc max | e min | h max | h min | k min | s max | s min |
|---|---|---|---|---|---|---|---|---|
| M5 | 0.8 | 11.8 | 8.79 | 7.1 | 6.74 | 4.7 | 8 | 7.78 |
| M6 | 1 | 14.2 | 11.05 | 9.1 | 8.74 | 5.7 | 10 | 9.78 |
| M8 | 1 | 1.25 | 17.9 | 14.38 | 11.1 | 10.67 | 7.6 | 13 | 12.73 |
| M10 | 1 | 1.25 | 1.5 | 21.8 | 16.64 | 13.5 | 13.07 | 9.6 | 15 | 14.73 |
| M12 | 1.25 | 1.5 | 1.75 | 26 | 20.03 | 16.1 | 15.67 | 11.6 | 18 | 17.73 |
| M14 | 1.5 | 2 | 29.9 | 23.36 | 18.2 | 17.68 | 13.3 | 21 | 20.67 |
| M16 | 1.5 | 2 | 34.5 | 26.75 | 20.3 | 19.46 | 15.3 | 24 | 23.67 |
| M20 | 1.5 | 2.5 | 42.8 | 32.95 | 24.8 | 23.96 | 18.9 | 30 | 29.16 |
