
DIN 6923 is a German standard hexagonal flange nut. A circular flange is added to the bottom of the ordinary hexagonal nut to increase the load-bearing surface, disperse the pressure, and avoid damage to the workpiece surface. DIN 6923 flanges are available in both serrated and flat flange options. The one-piece serrated flange generates huge friction when tightened, which can resist vibration and prevent loosening.
Beyond Fastener offers flange nuts in a variety of sizes, thicknesses, materials, and finishes, including imperial and metric sizes. Bulk wholesale is available to support projects of any size. If you require custom flange nuts, please contact us today for a quote. We’re here to help!
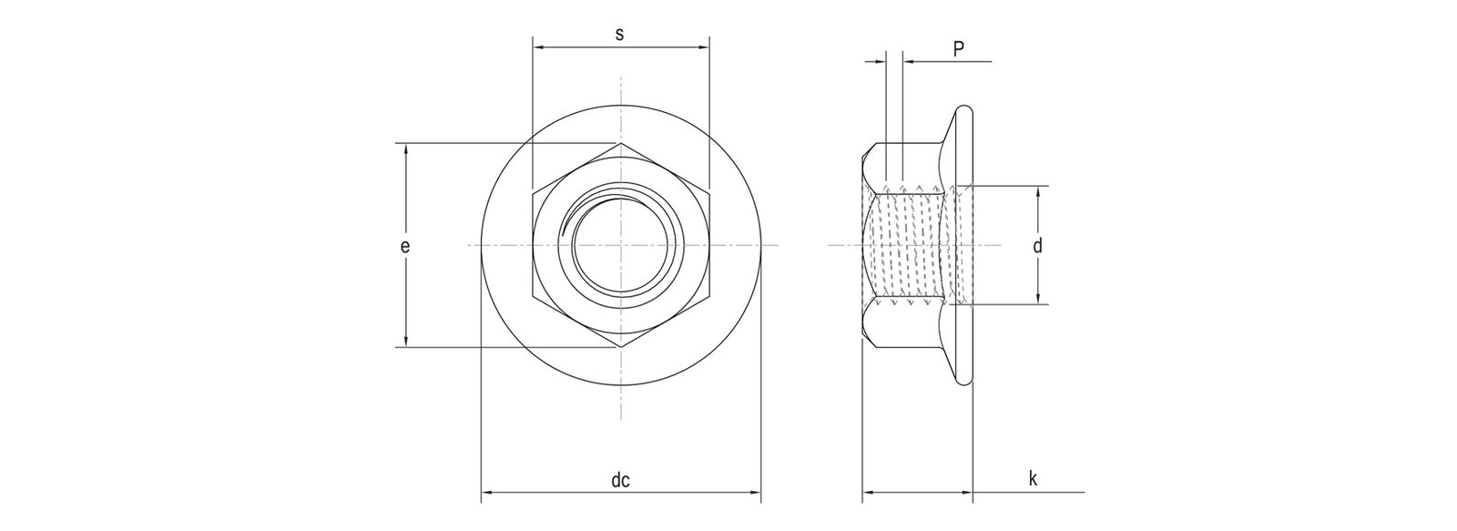
DIN 6923 Specifications
| mm | P | dc max | e min | k max | k min | s max | s min |
|---|---|---|---|---|---|---|---|
| M3 | 0.5 | 8 | 6.01 | 3.5 | 3.2 | 5.5 | 5.32 |
| M4 | 0.7 | 10 | 7.66 | 4.5 | 4.2 | 7 | 6.78 |
| M5 | 0.8 | 11.8 | 8.79 | 5 | 4.7 | 8 | 7.78 |
| M6 | 1 | 14.2 | 11.05 | 6 | 5.7 | 10 | 9.78 |
| M8 | 1 | 1.25 | 17.9 | 14.38 | 8 | 7.6 | 13 | 12.73 |
| M10 | 1 | 1.25 | 1.5 | 21.8 | 16.64 | 10 | 9.6 | 15 | 14.73 |
| M12 | 1.25 | 1.5 | 1.75 | 26 | 20.03 | 12 | 11.6 | 18 | 17.73 |
| M14 | 1.5 | 2 | 29.9 | 23.36 | 14 | 13.3 | 21 | 20.67 |
| M16 | 1.5 | 2 | 34.5 | 26.75 | 16 | 15.3 | 24 | 23.67 |
| M20 | 1.5 | 2 | 2.5 | 42.8 | 32.95 | 20 | 18.9 | 30 | 29.67 |
