
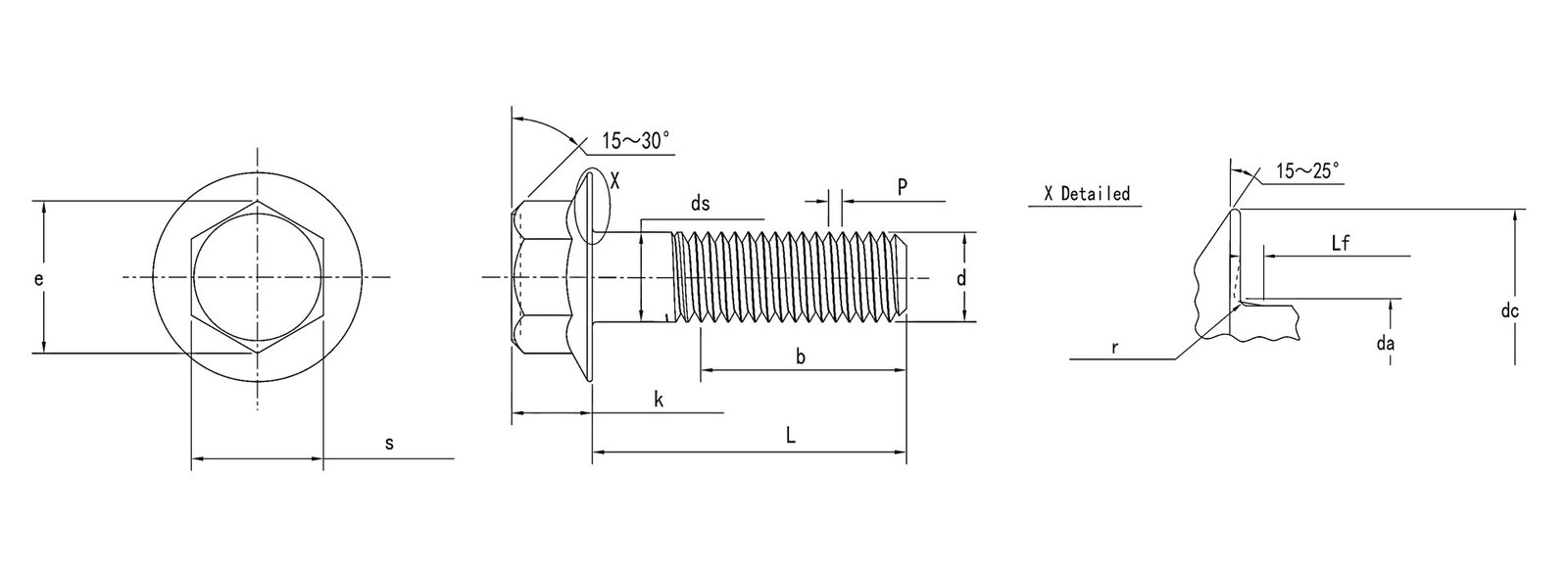
DIN 6921 metric hexagon flange bolts have an integrally formed flange washer under the head. The flange surface can increase the load-bearing area and avoid local indentations. DIN 6921 hexagonal flange bolts are available in both serrated and non-serrated versions. The flange serrations enhance anti-loosening properties and, compared to standard hexagonal bolts, eliminate the need for additional washers, simplifying assembly and saving costs.
DIN 6921 Specifications
Current norm: DIN EN 1665
| (mm) | M5 | M6 | M8 | M10 | M12 | M14 | M16 | M20 |
|---|---|---|---|---|---|---|---|---|
| P | 0.8 | 1 | 1.25 | 1.5 | 1.75 | 2 | 2 | 2.5 |
| da max | 5.7 | 6.8 | 9.2 | 11.2 | 13.7 | 15.7 | 17.7 | 22.4 |
| dc max | 11.8 | 14.2 | 18 | 22.3 | 26.6 | 30.5 | 35 | 43 |
| e min | 8.71 | 10.95 | 14.26 | 16.5 | 17.62 | 19.86 | 23.15 | 29.87 |
| Lf max | 1.4 | 2 | 2 | 2 | 3 | 3 | 3 | 4 |
| k max | 5.4 | 6.6 | 8.1 | 9.2 | 11.5 | 12.8 | 14.4 | 17.1 |
| r min | 0.25 | 0.4 | 0.4 | 0.4 | 0.6 | 0.6 | 0.6 | 0.8 |
| s max | 8 | 10 | 13 | 15 | 16 | 18 | 21 | 27 |
| s min | 7.78 | 9.78 | 12.73 | 14.73 | 15.73 | 17.73 | 20.67 | 26.67 |
Key:
- P: Pitch (mm)
- da max: Maximum outer diameter (mm)
- dc max: Maximum head diameter (mm)
- e min: Minimum width across flats (mm)
- Lf max: Maximum thread length (mm)
- k max: Maximum head height (mm)
- r min: Minimum fillet radius (mm)
- s max/min: Maximum/minimum width across flats (mm)
