DIN 6914 High Strength Structural Hexagon Bolts

Metric DIN 6914 high-strength hexagon bolts for steel structures have a high-torque large hexagon head and are mostly 8.8 or 10.9 in strength. It is usually used with DIN 6916 high-strength washers and DIN 6915 high-strength hexagonal nuts to form a complete high-strength bolt connection pair.

Key Features

  • Standard number: DIN 6914.
  • Head type: High-torque, large hexagon head.
  • Strength grades: 8.8 and 10.9.
  • Material: Alloy steel, medium carbon steel, heat-treated (quenched and tempered).
  • Surface treatment: Blackening, hot-dip galvanizing, Dacromet, etc.
  • Thread: Coarse metric thread (compliant with DIN 13).
  • Nominal diameters: M12 to M36. Thread length: 40 mm to 240 mm.
  • Across-flats: Larger than ordinary hexagonal bolts (e.g. an M20 bolt has 30 mm across flats, while ordinary hexagonal bolts have 30 or 32 mm).

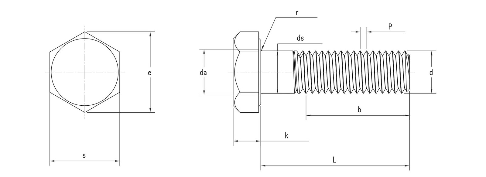
DIN 6914 Dimensions

mmPb maxb minda maxds maxds mine mink maxk minr mins maxs min
M121.75232115.212.711.323.918.457.551.22221.16
M162282619.216.715.329.5610.759.251.22726.16
M202.533312420.8419.1635.0313.912.11.53231
M222.534322622.8421.1639.5514.913.11.53635
M24337342824.8423.1645.215.914.124140
M27339373227.8426.1650.8517.916.124645
M303.542403530.8429.1655.3720.0517.9525049
M364504841373566.4424.0521.9526058.8

Related Products