
Metric DIN 603 mushroom head square neck bolts have a smooth, semi-circular head. The square neck shoulder below the head automatically locks into materials such as wood, effectively preventing the bolt from turning when the nut is tightened. Beyond Fastener has the following specifications in stock for quick delivery: Diameter range: M6 to M20 Length range: ≤80mm Material options: 304/316 stainless steel, carbon steel (galvanized or black oxide).
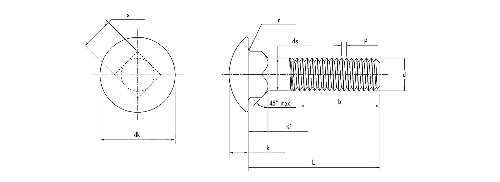
DIN 603 Specifications
| mm | P | dk max | dk min | ds max | ds min | k1 max | k1 min | k max | k min | r max | s max | s min |
|---|---|---|---|---|---|---|---|---|---|---|---|---|
| M5 | 0.8 | 13.55 | 12.45 | 5 | 4.52 | 4.1 | 2.9 | 3.3 | 2.7 | 0.5 | 5.48 | 4.52 |
| M6 | 1 | 16.55 | 15.45 | 6 | 5.52 | 4.6 | 3.4 | 3.88 | 3.12 | 0.5 | 6.48 | 5.52 |
| M8 | 1.25 | 20.65 | 19.35 | 8 | 7.42 | 5.6 | 4.4 | 4.88 | 4.12 | 0.5 | 8.58 | 7.42 |
| M10 | 1.5 | 24.65 | 23.35 | 10 | 9.42 | 6.6 | 5.4 | 5.38 | 4.62 | 0.5 | 10.58 | 9.42 |
| M12 | 1.75 | 30.65 | 29.35 | 12 | 11.3 | 8.75 | 7.25 | 6.95 | 6.05 | 1 | 12.7 | 11.3 |
| M16 | 2 | 38.8 | 37.2 | 16 | 15.3 | 12.9 | 11.1 | 8.95 | 8.05 | 1 | 16.7 | 15.3 |
| M20 | 2.5 | 46.8 | 45.2 | 20 | 19.16 | 15.9 | 14.1 | 11.05 | 9.95 | 1 | 20.84 | 19.16 |
