Skip to content
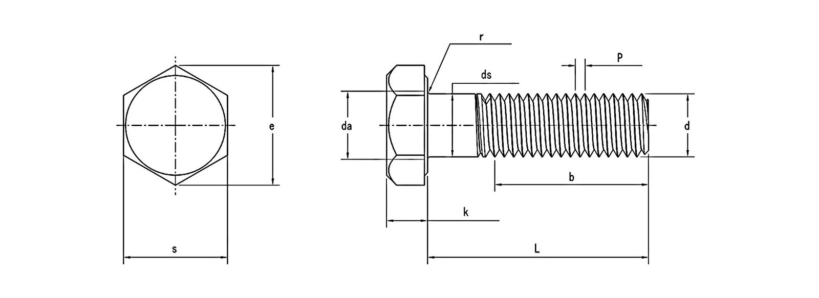
DIN 601 Specifications
- Current norm: DIN EN 24016
- Equivalent norms: ISO 4016; CSN 021301; EU 24016.
| mm | P | da max | ds min | ds max | e min | k min | k max | r min | s max | s min |
|---|
| M5 | 0.8 | 6 | 4.52 | 5.48 | 8.63 | 3.12 | 3.88 | 0.2 | 8 | 7.64 |
| M6 | 1 | 7.2 | 5.52 | 6.48 | 10.89 | 3.62 | 4.38 | 0.25 | 10 | 9.64 |
| M8 | 1.25 | 10.2 | 7.42 | 8.58 | 14.2 | 4.92 | 5.68 | 0.4 | 13 | 12.57 |
| M10 | 1.5 | 12.2 | 9.42 | 10.58 | 18.72 | 5.95 | 6.85 | 0.4 | 17 | 16.57 |
| M12 | 1.75 | 14.7 | 11.3 | 12.7 | 20.88 | 7.05 | 7.95 | 0.6 | 19 | 18.48 |
| M16 | 2 | 18.7 | 15.3 | 16.7 | 26.17 | 9.25 | 10.75 | 0.6 | 24 | 23.16 |
| M20 | 2.5 | 24.4 | 19.16 | 20.84 | 32.95 | 11.6 | 13.4 | 0.8 | 30 | 29.16 |
| M24 | 3 | 28.4 | 23.16 | 24.84 | 39.55 | 14.1 | 15.9 | 0.8 | 36 | 35 |
| M27 | 3 | 32.4 | 26.16 | 27.84 | 45.2 | 16.1 | 17.9 | 1 | 41 | 40 |
| M30 | 3.5 | 35.4 | 29.16 | 30.84 | 50.85 | 17.65 | 19.75 | 1 | 46 | 45 |
| M33 | 3.5 | 38.4 | 32 | 34 | 55.37 | 19.95 | 22.05 | 1 | 50 | 49 |
| M36 | 4 | 42.4 | 35 | 37 | 60.79 | 21.45 | 23.55 | 1 | 55 | 53.8 |
| M39 | 4 | 45.4 | 38 | 40 | 66.44 | 23.95 | 26.05 | 1 | 60 | 58.8 |
| M42 | 4.5 | 48.6 | 41 | 43 | 71.3 | 24.95 | 27.05 | 1.2 | 65 | 63.1 |
| M45 | 4.5 | 52.6 | 44 | 46 | 76.95 | 26.95 | 29.05 | 1.2 | 70 | 68.1 |
| M48 | 5 | 56.6 | 47 | 49 | 82.6 | 28.95 | 31.05 | 1.6 | 75 | 73.1 |
| M52 | 5 | 62.6 | 51 | 53 | 88.25 | 31.75 | 34.25 | 1.6 | 80 | 78.1 |